misc_other:hardware
Inhaltsverzeichnis
Unterlagen zu diverser Hardware
Schaltsteckdosen (ESP8255)
Gosund SP1
Ligan SWA1 WIFI Dose
- Ligan SWA1 Schaltsteckdose mit Temperatursensor - Ligan SWA1 mit Temperatursensor erweitern
- LM1 ESP8266 Modul Pinout - wird bei der Lingan SWA1 verbaut
Hinweis: Pin IO02 darf nicht für I2C verwendet werden !
Antela F1s202 (OpenBeken)
Tasmota / OpenBeken
Zeitzone in Tasmota korrekt konfigurieren für Europa/Berlin:
Backlog0 Timezone 99; TimeStd 0,0,10,1,3,60; TimeDst 0,0,3,1,2,120
NTP Server und Zeitzone in OpenBeken korrekt konfigurieren für Europa/Berlin:
backlog startDriver ntp; ntp_setServer 95.216.138.141; ntp_timeZoneOfs +02:00
Sensoren
DS18B20 Temperatursensor
- Your DS18B20 temperature sensor is likely a fake - Ausarbeitung über die unzähligen DS18B20 Fake Sensoren im Markt –> sehr lesenswert
- offizielles Datenblatt - PDF
BME280 BOSCH Sensor
- Datenblatt - PDF
Hinweis: Der BME280 sollte nicht ungeschützt im Aussenbereich verwendet werden. Feuchtigkeit (Condensing) kann den Humidity Sensor irreparabel zerstören. Es wird dann immer 100% Luftfeuchtigkeit ausgegeben. Weitere Infos finden sich im Netz.
BME 680
- BME680 Library for Python - @Github
- Datenblatt - PDF
230V Detector für Arduino & Co.
ESP32
Pinouts & Schematics
FC-31 Delay Relais
- Manual FC-31 Modul - PDF, englisch
- Schaltplan FC-31 - PDF
MB102 Breadboard Power Supply
Raspberry Pi
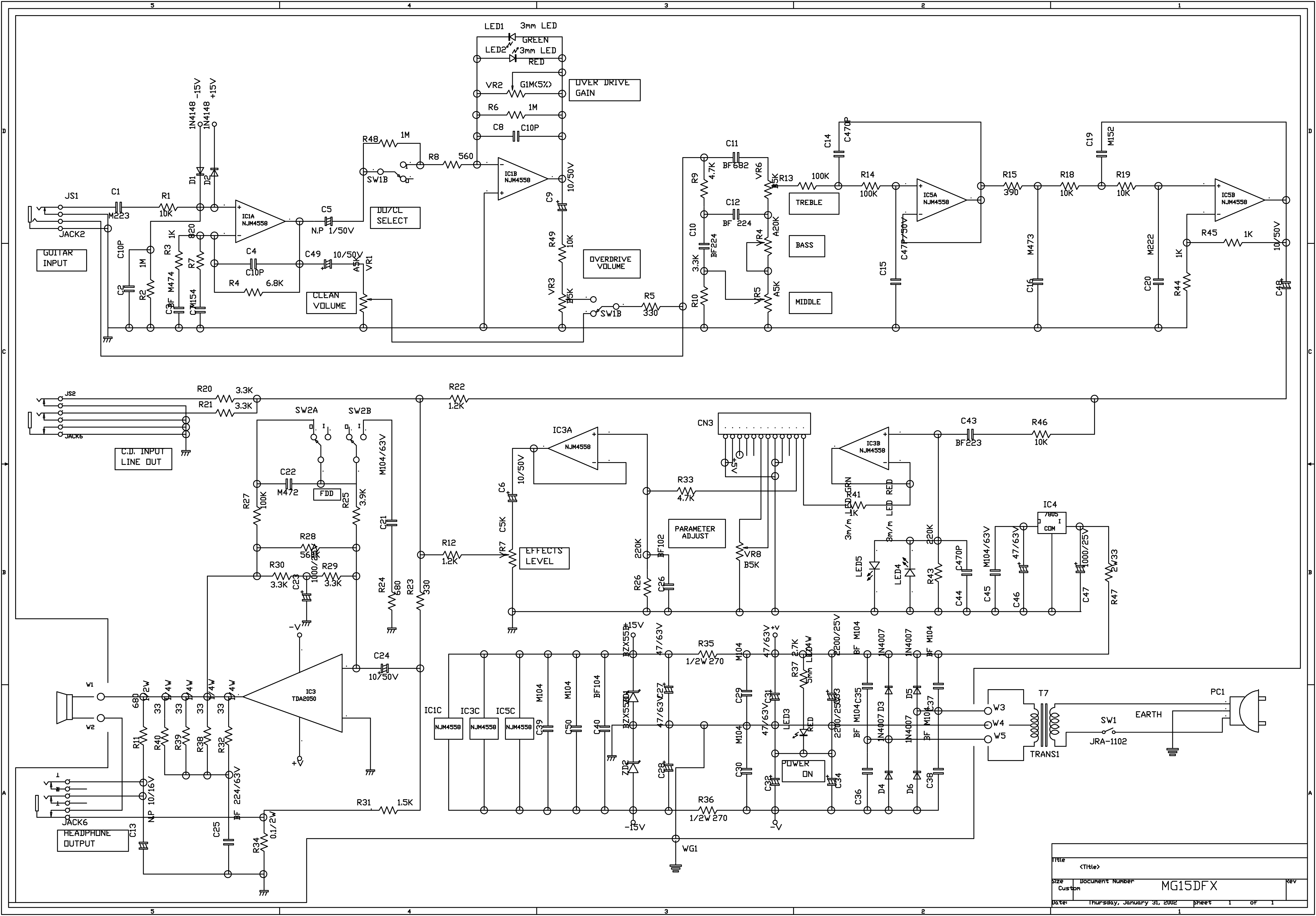
Marshall MG15DFX (Gitarrenverstärker)
- Schaltplan - JPEG
- Benutzerhandbuch - PDF
TV-B-Gone Kit
Teufel Concept E Magnum
NRF24L01+ 2,4GHz Funkmodul (für zB. OpenDTU)
Anschluss des NRF24L01+ Funkmoduls an einen 30pin ESP32 Modul um die Software OpenDTU zu betreiben.
NRF24L01 VCC ………………………………………… 3.3V of ESP32 NRF24L01 CSN ………………………………………… D5 of ESP32 NRF24L01 MOSI ………………………………………… D23 of ESP32 NRF24L01 GND ………………………………………… GND of ESP32 NRF24L01 CE ………………………………………… D4 of ESP32 NRF24L01 SCK ………………………………………… D18 of ESP32 NRF24L01 MISO ………………………………………… D19 of ESP32
DC-DC USB StepUp/StepDown Converter
misc_other/hardware.txt · Zuletzt geändert: von Dominique








